Skip to main content
  • Mechanical Design Support for Automation & Special Purpose Machines

    Offshore design partner supporting UK, EU, and US automation OEMs with CAD, drawings, and revision-controlled engineering support.

What We Do

Techmatix Engineering provides mechanical design and drafting support to automation and special purpose machine teams. We support OEM engineering groups with CAD modelling, manufacturing drawings, and revision-controlled engineering work for ongoing and backlog projects.

Mechanical Design Support


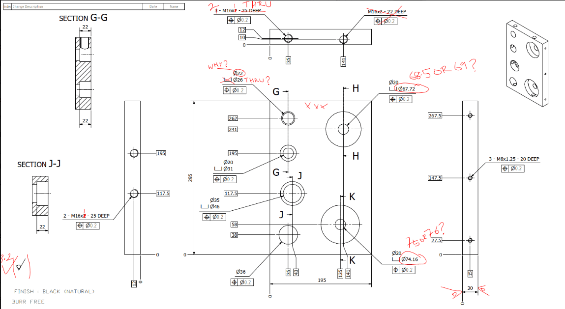
Manufacturing Drawings


Redlines & Revisions


CLIENTS WE WORK FOR
Experience supporting automation and industrial engineering teams in the UK, US, and India.

6+

Designers

4+

Active Overseas Customers

10+

Years Experience

Reliable Engineering Support for Automation Teams

From concept support to production-ready drawings, we work as an extension of your engineering team.

Tell us your requirement